|
Hydraulics, Inc. 旋轉接頭 SWIVELS
SWIVELS, COUPLINGS, AND CONTROLS FOR HYDRAULIC SYSTEMS
SWIVELS;S-Inline,HS-Heavy Duty Inline,9S-90° Swivel,9SS-Dual Plane Swivel,18S-Parallel Plane Swivel,Flange Swivels
SWIVELS;Flange Swivels
Hydraulics, Inc.設計特點:
整體式筒體和閥桿-無焊接或釬焊接頭
嵌入式和保護防塵密封件
拋光缸孔-延長密封壽命
低旋轉扭矩的壓力平衡
重型固定板和寬磨損區
優良的流動特性
防護處理.黃色鉻酸鹽RoHS兼容表面鍍鋅
現場可更換密封套件
抵抗機械負荷
本節所述的液壓系統公司“93S”和“96S”系列導液旋轉接頭包括符合SAE J518規范61和規范62的SAE 4螺栓法蘭連接。

Hydraulics, Inc. Design Features
One Piece Barrel and Stem - No Weld or Braze Joint
Recessed and Protected Dust Seals
Burnished Barrel Bore - Extends Seal Life
Pressure Balanced for Low Rotational Torque
Heavy Duty Retainer Plate & Broad Wear Lands
Excellent Flow Characteistics
Protective Treatment - Zinc plating with Yellow Chromate RoHS Compliant Finish
Field Replaceable Seal Kits
Resists Mechanical Loads
Hydraulics, Inc. "93S" and "96S" Series Fluid Conducting Swivel Joints described in this section incorporate SAE 4-Bolt flange connections per SAE J518 Code 61 and Code 62.
為在惡劣應用中取得成功而制造的產品,沒有焊接和釬焊接頭。質量水平達到液壓系統公司通常的高標準。耐用材料在建筑、采礦和其他艱難應用中提供重型設備所需的使用壽命。其結果是耐用的旋轉接頭性能為連續工作高功率流體動力傳動系統。
Built to succeed in severe applications, the product is manufactured with the absence of weld and braze joints. Quality levels are to the usual high standards of Hydraulics, Inc. Durable materials provide the service life demanded of heavy equipment in construction, mining and other tough applications. The result is rugged swivel joint performance for continuous duty high horsepower fluid power transmission systems.
設備設計師選擇此產品是為了保證結構完整性、高工作壓力和連接器的可靠性。
Equipment designers select this product for structural integrity, high operating pressures, and connector reliability.
CAUTION:
不要試圖在壓力下斷開和拆卸旋轉裝置。在壓力下,不要從閥桿上拆下旋轉筒。不要試圖操作損壞的旋轉接頭,也不要操作顯示油液泄漏和/或明顯軸承磨損的旋轉接頭。考慮所選旋轉裝置的額定壓力不能超過旋轉裝置及其所選端口的額定值。請參閱安全信息-選擇和使用液壓系統,包括旋轉接頭。
Do not attempt to disconnect and disassemble swivels under pressure. Do not remove the swivel barrel from stem while under pressure. Do not attempt to operate damaged swivels and do not operate swivels displaying fluid leak and/or obvious bearing wear. Consider that a selected swivels rated pressure cannot exceed the lowest rating of the swivel and of it's selected ports. Refer to Safety Information - Selecting and Using Hydraulics, Inc. Swivel Joints.

壓力限制Pressure Limitations:
“93S”和“96S”系列旋流器的工作壓力在以下幾頁中提到;然而,連接管道的額定壓力可能高于或低于旋轉管道。流體動力系統的額定工作壓力不應超過其額定部件。Maximum working pressure for “93S” and "96S" Series swivels is noted in the following pages; however, connecting plumbing may be rated higher or lower than that of the swivel. The rated working pressure of a fluid power system should not exceed the lowest rated component therein.
安裝信息Installation Information:
液壓系統公司的旋轉接頭通常被認為是流體動力系統中遇到的低速旋轉。轉速取決于系統環境,流體類型和與溫度和壓力有關的極端條件是考慮因素。可疑的應用應通過實驗室或原型測試證明。安裝時應避免污染,連接管道不應造成過度負荷。水龍頭不應用作承重或結構構件。有關更多信息,請參閱選擇和使用液壓系統,包括旋轉接頭。Hydraulics, Inc. swivel joints are generally considered for low speed rotation as encountered in fluid power systems. Maximum speed of rotation depends upon system environment, with fluid types and extreme conditions related to temperature and pressure being of prime consideration. Questionable applications should be proven by laboratory or prototype testing. Contamination at installation should be avoided and connecting plumbing should not cause undue loading. The swivel should not be used as a load bearing or structural member. Refer to Selecting and Using Hydraulics, Inc. Swivel Joints for additional information.
Options
本網站上顯示的旋轉閥被視為液壓公司的標準配置。有關壓力額定值或端口選項的其他要求,本網站上未顯示,請與我們聯系。可通過在零件號中添加密封化合物指示符后綴來指定可選的密封材料。Swivels shown on this website are considered standard to Hydraulics, Inc. For other requirements relative to pressure ratings or port options, not shown on this website, please contact us. Optional seal material may be specified by adding the seal compound designator suffix to the part number.

 |
 |
96S-90° Code 62 Ports |
93S-90° Code 61 Ports |
SWIVELS | FLANGE SWIVELS | 96S-90° CODE 62 PORTS
96S-90° CODE 62 PORTS
 |
 |
FP-4 Bolt Flange Port to FP-4 Bolt Flange Port |
FP-4 Bolt Flange Port to FH-4 Bolt Flange Head |
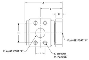
SWIVELS | FLANGE SWIVELS | 96S-90° CODE 62 PORTS | 4 BOLT FLANGE PORT TO 4 BOLT FLANGE PORT
4 BOLT FLANGE PORT TO 4 BOLT FLANGE PORT
4-bolt-flange-port-to-4-bolt-flange-por

| Part Number |
A |
B |
C |
D |
E |
F |
H |
J |
K |
L |
M |
N |
P |
Max W.P. |
| 96S8FP8-FP8 |
3.13 79.5 mm |
1.89 48.0 mm |
0.63 16.0 mm |
2.85 72.4 mm |
1.27 32.3 mm |
2.53 64.3 mm |
1.59 40.5 mm |
0.72 18.2 mm |
5/16-18 UNC-2B |
0.87 22.1 mm |
2.22 56.4 mm |
1.62 41.1 mm |
0.50 12.7 mm |
6,000 PSI 41.4 MPa |
| 96S12FP12-FP12 |
3.73 94.7 mm |
2.22 56.4 mm |
0.75 19.1 mm |
3.03 77.0 mm |
1.39 35.3 mm |
2.78 70.6 mm |
2.00 50.8 mm |
0.94 23.8 mm |
3/8-16 UNC-2B |
0.87 22.1 mm |
2.81 71.4 mm |
1.88 47.8 mm |
0.75 19.1 mm |
6,000 PSI 41.4 MPa |
| 96S16FP16-FP16 |
4.24 107.7 mm |
2.52 64.0 mm |
0.81 20.6 mm |
3.36 85.3 mm |
1.61 40.9 mm |
3.22 81.8 mm |
2.25 57.2 mm |
1.09 27.8 mm |
7/16-14 UNC-2B |
0.87 22.1 mm |
3.19 81.0 mm |
2.12 53.8 mm |
1.00 25.4 mm |
6,000 PSI 41.4 MPa |
| 96S20FP20-FP20 |
4.93 125.2 mm |
2.90 73.7 mm |
0.88 22.4 mm |
3.86 98.0 mm |
1.86 47.2 mm |
3.72 94.5 mm |
2.63 66.7 mm |
1.25 31.8 mm |
1/2-13 UNC-2B |
0.80 20.3 mm |
3.75 95.3 mm |
2.50 63.5 mm |
1.25 31.8 mm |
6,000 PSI 41.4 MPa |
| 96S24FP24-FP24 |
6.84 173.7 mm |
4.10 104.1 mm |
1.37 34.8 mm |
5.03 127.8 mm |
2.36 59.9 mm |
4.72 119.9 mm |
3.13 79.4 mm |
1.44 36.5 mm |
5/8-11 UNC-2B |
1.06 26.9 mm |
4.44 112.8 mm |
3.25 82.6 mm |
1.50 38.1 mm |
6,000 PSI 41.4 MPa |
| 96S32FP32-FP32 |
7.71 195.8 mm |
4.50 114.3 mm |
1.31 33.3 mm |
6.35 161.3 mm |
2.98 75.7 mm |
5.97 151.6 mm |
3.81 96.8 mm |
1.75 44.5 mm |
3/4-10 UNC-2B |
1.31 33.3 mm |
5.25 133.4 mm |
3.50 88.9 mm |
2.00 50.8 mm |
6,000 PSI 41.4 MPa |
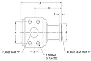
SWIVELS | FLANGE SWIVELS | 96S-90° CODE 62 PORTS | 4 BOLT FLANGE PORT TO 4 BOLT FLANGE HEAD
4 BOLT FLANGE PORT TO 4 BOLT FLANGE HEAD
4-bolt-flange-port-to-4-bolt-flange-head

| Part Number |
A |
B |
C |
D |
E |
F |
G |
H |
J |
K |
L |
P |
Max W.P. |
| 96S8FP8-FH8 |
4.13 104.9 mm |
2.89 73.4 mm |
0.31 7.9 mm |
2.85 72.4 mm |
1.27 32.3 mm |
2.53 64.3 mm |
1.25 31.8 mm |
1.59 40.5 mm |
0.72 18.2 mm |
5/16-18 UNC-2B |
0.87 22.1 mm |
0.50 12.7 mm |
6,000 PSI 41.4 MPa |
| 96S12FP12-FH12 |
4.88 124.0 mm |
3.37 85.6 mm |
0.35 8.9 mm |
3.03 77.0 mm |
1.39 35.3 mm |
2.78 70.6 mm |
1.63 41.4 mm |
2.00 50.8 mm |
0.94 23.8 mm |
3/8-16 UNC-2B |
0.87 22.1 mm |
0.75 19.1 mm |
6,000 PSI 41.4 MPa |
| 96S16FP16-FH16 |
5.64 143.3 mm |
3.92 99.6 mm |
0.38 9.7 mm |
3.36 85.3 mm |
1.61 40.9 mm |
3.22 81.8 mm |
1.88 47.8 mm |
2.25 57.2 mm |
1.09 27.8 mm |
7/16-14 UNC-2B |
0.87 22.1 mm |
1.00 25.4 mm |
6,000 PSI 41.4 MPa |
| 96S20FP20-FH20 |
6.31 160.3 mm |
4.28 108.7 mm |
0.41 10.4 mm |
3.86 98.0 mm |
1.86 47.2 mm |
3.72 94.5 mm |
2.13 54.1 mm |
2.63 66.7 mm |
1.25 31.8 mm |
1/2-13 UNC-2B |
0.80 20.3 mm |
1.25 31.8 mm |
6,000 PSI 41.4 MPa |
| 96S24FP24-FH24 |
8.40 213.4 mm |
5.66 143.8 mm |
0.50 12.7 mm |
5.03 127.8 mm |
2.36 59.9 mm |
4.72 119.9 mm |
2.50 63.5 mm |
3.13 79.4 mm |
1.44 36.5 mm |
5/8-11 UNC-2B |
1.06 26.9 mm |
1.50 38.1 mm |
6,000 PSI 41.4 MPa |
| 96S32FP32-FH32 |
9.88 251.0 mm |
6.67 169.4 mm |
0.50 12.7 mm |
6.35 161.3 mm |
2.98 75.7 mm |
5.97 151.6 mm |
3.13 79.5 mm |
3.81 96.8 mm |
1.75 44.5 mm |
3/4-10 UNC-2B |
1.31 33.3 mm |
2.00 50.8 mm |
6,000 PSI 41.4 MPa |
SWIVELS | FLANGE SWIVELS | 93S-90° CODE 61 PORTS
93S-90° CODE 61 PORTS
 |
 |
FP-4 Bolt Flange Port to FP-4 Bolt Flange Port |
FP-4 Bolt Flange Port to FH-4 Bolt Flange Head |
SWIVELS | FLANGE SWIVELS | 93S-90° CODE 61 PORTS | 4 BOLT FLANGE PORT TO 4 BOLT FLANGE PORT
4 BOLT FLANGE PORT TO 4 BOLT FLANGE PORT
4-bolt-flange-port-to-4-bolt-flange-port

| Part Number |
A |
B |
C |
D |
E |
F |
H |
J |
K |
L |
M |
N |
P |
Max W.P. |
| 93S12FP12-FP12 |
3.26 82.8 mm |
2.00 50.8 mm |
0.75 19.1 mm |
2.85 72.4 mm |
1.27 32.3 mm |
2.53 64.3 mm |
1.88 47.6 mm |
0.88 22.2 mm |
3/8-16 UNC-2B |
0.88 22.4 mm |
2.56 65.0 mm |
1.62 41.1 mm |
0.75 19.1 mm |
5,000 PSI 34.5 MPa |
| 93S16FP16-FP16 |
3.76 95.5 mm |
2.25 57.2 mm |
0.75 19.1 mm |
3.03 77.0 mm |
1.39 35.3 mm |
2.78 70.6 mm |
2.06 52.4 mm |
1.03 26.2 mm |
3/8-16 UNC-2B |
0.88 22.4 mm |
2.75 69.9 mm |
1.88 47.8 mm |
1.00 25.4 mm |
5,000 PSI 34.5 MPa |
| 93S20FP20-FP20 |
4.32 109.7 mm |
2.60 66.0 mm |
0.88 22.4 mm |
3.36 85.3 mm |
1.61 40.9 mm |
3.22 81.8 mm |
2.31 58.7 mm |
1.19 30.2 mm |
7/16-14 UNC-2B |
1.12 28.4 mm |
3.12 79.2 mm |
2.12 53.8 mm |
1.25 31.8 mm |
4,000 PSI 27.6 MPa |
| 93S24FP24-FP24 |
4.93 125.2 mm |
2.89 73.4 mm |
0.88 22.4 mm |
3.86 98.0 mm |
1.86 47.2 mm |
3.72 94.5 mm |
2.75 69.9 mm |
1.41 35.7 mm |
1/2-13 UNC-2B |
1.06 26.9 mm |
3.69 93.7 mm |
2.50 63.5 mm |
1.50 38.1 mm |
3,000 PSI 20.7 MPa |
| 93S32FP32-FP32 |
6.65 168.9 mm |
3.91 99.3 mm |
1.18 30.0 mm |
5.03 127.8 mm |
2.36 59.9 mm |
4.72 119.9 mm |
3.06 77.8 mm |
1.69 42.9 mm |
1/2-13 UNC-2B |
1.06 26.9 mm |
4.00 101.6 mm |
3.25 82.6 mm |
2.00 50.8 mm |
3,000 PSI 20.7 MPa |
| 93S40FP40-FP40 |
7.39 187.7 mm |
4.18 106.2 mm |
1.00 25.4 mm |
6.35 161.3 mm |
2.98 75.7 mm |
5.97 151.6 mm |
3.50 88.9 mm |
2.00 50.8 mm |
1/2-13 UNC-2B |
1.19 30.2 mm |
4.50 114.3 mm |
3.50 88.9 mm |
2.50 63.5 mm |
2,500 PSI 17.2 MPa |
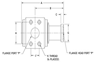
SWIVELS | FLANGE SWIVELS | 93S-90° CODE 61 PORTS | 4 BOLT FLANGE PORT TO 4 BOLT FLANGE HEAD
4 BOLT FLANGE PORT TO 4 BOLT FLANGE HEAD
4-bolt-flange-port-to-4-bolt-flange-head

| Part Number |
A |
B |
C |
D |
E |
F |
G |
H |
J |
K |
L |
P |
Max W.P. |
| 93S12FP12-FH12 |
4.18 106.2 mm |
2.93 74.4 mm |
0.27 6.9 mm |
2.85 72.4 mm |
1.27 32.3 mm |
2.53 64.3 mm |
1.50 38.1 mm |
1.88 47.6 mm |
0.88 22.2 mm |
3/8-16 UNC-2B |
0.88 22.4 mm |
0.75 19.1 mm |
5,000 PSI 34.5 MPa |
| 93S16FP16-FH16 |
4.63 117.6 mm |
3.12 79.2 mm |
0.32 8.1 mm |
3.03 77.0 mm |
1.39 35.3 mm |
2.78 70.6 mm |
1.75 44.5 mm |
2.06 47.6 mm |
1.03 22.2 mm |
3/8-16 UNC-2B |
0.88 22.4 mm |
1.00 25.4 mm |
5,000 PSI 34.5 MPa |
| 93S20FP20-FH20 |
5.40 137.2 mm |
3.68 93.5 mm |
0.32 8.1 mm |
3.36 85.3 mm |
1.61 40.9 mm |
3.22 81.8 mm |
2.00 50.8 mm |
2.31 58.7 mm |
1.19 30.2 mm |
7/16-14 UNC-2B |
1.12 28.4 mm |
1.25 31.8 mm |
4,000 PSI 27.6 MPa |
| 93S24FP24-FH24 |
6.05 153.7 mm |
4.01 101.9 mm |
0.32 8.1 mm |
3.86 98.0 mm |
1.86 47.2 mm |
3.72 94.5 mm |
2.38 60.5 mm |
2.75 69.9 mm |
1.41 35.7 mm |
1/2-13 UNC-2B |
1.06 26.9 mm |
1.50 38.1 mm |
3,000 PSI 20.7 MPa |
| 93S32FP32-FH32 |
7.56 192.0 mm |
4.82 122.4 mm |
0.38 9.7 mm |
5.03 127.8 mm |
2.36 59.9 mm |
4.72 119.9 mm |
2.81 71.4 mm |
3.06 77.8 mm |
1.69 42.9 mm |
1/2-13 UNC-2B |
1.06 26.9 mm |
2.00 50.8 mm |
3,000 PSI 20.7 MPa |
| 93S40FP40-FH40 |
8.64 219.5 mm |
5.43 137.9 mm |
0.38 9.7 mm |
6.35 161.3 mm |
2.98 75.7 mm |
5.97 151.6 mm |
3.31 84.1 mm |
3.50 88.9 mm |
2.00 50.8 mm |
1/2-13 UNC-2B |
1.19 30.2 mm |
2.50 63.5 mm |
2,500 PSI 17.2 MPa |
96S-90° Code 62 Ports
93S-90° Code 61 Ports
FP-4 Bolt Flange Port to FP-4 Bolt Flange Port
FP-4 Bolt Flange Port to FH-4 Bolt Flange Head
FP-4 Bolt Flange Port to FP-4 Bolt Flange Port
FP-4 Bolt Flange Port to FH-4 Bolt Flange Head
Part Number
96S8FP8-FP8
96S12FP12-FP12
96S16FP16-FP16
96S20FP20-FP20
96S24FP24-FP24
96S32FP32-FP32
Part Number
96S8FP8-FH8
96S12FP12-FH12
96S16FP16-FH16
96S20FP20-FH20
96S24FP24-FH24
96S32FP32-FH32
Part Number
93S12FP12-FP12
93S16FP16-FP16
93S20FP20-FP20
93S24FP24-FP24
93S32FP32-FP32
93S40FP40-FP40
Part Number
93S12FP12-FH12
93S16FP16-FH16
93S20FP20-FH20
93S24FP24-FH24
93S32FP32-FH32
93S40FP40-FH40
|