|
|
|
|
Rectus利達時低壓系列接頭:不銹鋼20KA系列快速接頭 RECTUS Series系列20KA快速接頭
Parker ,Rectus和Tema三大公司都經過了長期的獨立發展階段,2007年美國Parker派克收購了Rectus和TEMA與其業務交叉的部門,將三個公司業務相似和產品相同的設備線進行重組,利用各自優勢,協同品牌效應,增強新整合部門的綜合實力。因此,新創建的QCDE的(歐洲快速接頭分部)結合國際地位與領先的技術和創新領域的氣動和液壓連接件,這使得QCDE成為行業合作范圍最廣、最具價值的合作伙伴,助力更多企業走向成功。
Rectus成立于1950年,2000年Rectus收購TEMA品牌,共同組建了Rectus-TEMA,在經歷了長期的自主研發和特定的客戶市場,2007年全球運動控制元件和系統的領導者Parker 全面收購(Rectus)利達時及(TEMA)天馬品牌,在歐洲Nussdorf 組建QCDE總部,Rectus和Tema具有多年專業的開發快速接頭的經驗,使我們的客戶能夠從我們這里得到各種領域應用的快速連接件。RECTUS quick connect couplings have stood for the highest precision and reliability. The pneumatic systems are used in many industries, primarily for compressed air but also for connections with liquid media.
Rectus利達時低壓系列接頭:不銹鋼20KA系列快速接頭 RECTUS Series系列20KA快速接頭
 |
單截止型
Single Shut-Off |
通徑 Nominal Diameter
2.7 = 6 mm2 |
|
|

流量壓力損失表
Chart

 |
特征描述
Technical
Description
迷你型快換接頭,國際通用規格。適用于有大流量要求的各種應用中。廣泛應用于小型氣動設備、醫療技術及化學和制藥行業。
|
優點 Advantages
可單手操
尺寸小
替換產品
Interchangeability
RECTUS
91
WALTHER 06-003 |
工作壓力 Working Pressure
最大工作壓力 35 bar,
最大靜態壓力的安全系數為4:1。
工作溫度 Working Temperature*
-20°C ~ +100°C (NBR)
-40°C ~
+120/150°C (EPDM)
-15°C ~ +200°C
(FKM)
溫度取決于介質
*特殊工況溫度產品
當溫度低于-20°C或者高于+100°C時,需要使用特殊的密封圈,請聯系我們。 |
| 材料|材質 Material |
|
|
| 陽接頭 Coupling |
AISI 303 |
AISI 316L |
本體Back Body
閥體Valve Body
滑套Sleeve
閥Valve
彈簧和鎖定環Spring
& Locking Ring
鎖定球體Locking Balls
密封圈Seals |
AISI 303
AISI
303
AISI 303
AISI
303
AISI 301
AISI
420
FKM |
AISI 316 L
AISI
316 L
AISI 316 L
AISI 316 L
AISI 316 Ti
AISI 420
FKM |
| 陰接頭 Plug |
|
|
| 本體 Plug |
AISI 303 |
AISI 316 L |
| 相關文檔 Documents |
|
|
安全須知
Safety Instructions |
安裝及維護說明
Installation & Maintenance |
操作說明
Operating
instructions |
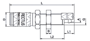
| Couplings |
端口
A |
Hex
SW |
L
mm |
D
mm |
L1
mm |
Hex1
SW |
B
mm |
G
mm |
材質 |
訂貨號 |
外螺紋 Male Thread
|
M 5 |
9 |
26 |
10 |
5 |
|
|
|
AISI 303 |
20KA AM05 RVX |
| M 5 |
9 |
26 |
10 |
5 |
|
|
|
AISI 316L |
20KA AM05 EVX |
| G 1/8 |
11 |
28 |
10 |
7 |
|
|
|
AISI 303 |
20KA AW10 RVX |
| G 1/8 |
11 |
28 |
10 |
7 |
|
|
|
AISI 316L |
20KA AW10 EVX |
內螺紋 Female Thread
|
M 5 |
9 |
25 |
10 |
5 |
|
|
|
AISI 303 |
20KA IM05 RVX |
| M 5 |
9 |
25 |
10 |
5 |
|
|
|
AISI 316L |
20KA IM05 EVX |
| G 1/8 |
12 |
28 |
10 |
7 |
|
|
|
AISI 303 |
20KA IW10 RVX |
| G 1/8 |
12 |
28 |
10 |
7 |
|
|
|
AISI 316 L |
20KA IW10 EVX |
Plastic Hose Connection
|
3x4 mm |
9 |
34 |
10 |
7 |
|
|
M 7x0,5 |
AISI 303 |
20KA KO04 RVX |
| 3x4 mm |
9 |
34 |
10 |
7 |
|
|
M 7x0,5 |
AISI 316L |
20KA KO04 EVX |
| 3x5 mm |
9 |
34 |
10 |
7 |
|
|
M 7x0,5 |
AISI 303 |
20KA KO05 RVX |
| 3x5 mm |
9 |
34 |
10 |
7 |
|
|
M 7x0,5 |
AISI 316L |
20KA KO05 EVX |
| 4x6 mm |
9 |
34 |
10 |
7 |
|
|
M 8x0,5 |
AISI 303 |
20KA KO06 RVX |
| 4x6 mm |
9 |
34 |
10 |
7 |
|
|
M 8x0,5 |
AISI 316L |
20KA KO06 EVX |
Panel Mount, Plastic Hose Connection
|
3x4 mm |
12 |
45 |
10 |
7 |
11 |
3 |
M 7x0,5 |
AISI 303 |
20KA KS04 RVX |
| 3x5 mm |
12 |
45 |
10 |
7 |
11 |
3 |
M 7x0,5 |
AISI 303 |
20KA KS05 RVX |
| 4x6 mm |
12 |
45 |
10 |
7 |
11 |
3 |
M 8x0,5 |
AISI 303 |
20KA KS06 RVX |
| |
|
|
|
|
|
|
|
|
|
寶塔接頭 Hose Barb
|
3 mm |
|
35 |
10 |
13 |
|
|
|
AISI 303 |
20KA TF03 RVX |
| 4 mm |
|
35 |
10 |
13 |
|
|
|
AISI 303 |
20KA TF04 RVX |
| 4 mm |
|
35 |
10 |
13 |
|
|
|
AISI 316L |
20KA TF04 EVX |
| 5 mm |
|
35 |
10 |
13 |
|
|
|
AISI 303 |
20KA TF05 RVX |
| Plugs |
端口
A |
Hex
SW |
L
mm |
D
mm |
L1
mm |
L2
mm |
G
mm |
材質 |
訂貨號 |
Plastic Hose Connection
|
3x4 mm |
8 |
25 |
|
7 |
5 |
M 7x0,5 |
AISI 303 |
20SF KO04 RXX |
| 3x4 mm |
8 |
25 |
|
7 |
5 |
M 7x0,5 |
AISI 316 L |
20SF KO04 EXX |
| 3x5 mm |
8 |
25 |
|
7 |
5 |
M 7x0,5 |
AISI 303 |
20SF KO05 RXX |
| 3x5 mm |
8 |
25 |
|
7 |
5 |
M 7x0,5 |
AISI 316 L |
20SF KO05 EXX |
| 4x6 mm |
8 |
25 |
|
7 |
5 |
M 8x0,5 |
AISI 303 |
20SF KO06 RXX |
| 4x6 mm |
8 |
25 |
|
7 |
5 |
M 8x0,5 |
AISI 316 L |
20SF KO06 EXX |
Panel Mount, Plastic Hose Connection
|
4x6 mm |
12 |
38 |
|
7 |
17 |
M 8x0,5 |
AISI 303 |
20SF KS06 RXX |
| |
|
|
|
|
|
|
|
|
| |
|
|
|
|
|
|
|
|
| |
|
|
|
|
|
|
|
|
寶塔接頭 Hose Barb
|
3 mm |
|
24 |
7 |
13 |
|
|
AISI 303 |
20SF TF03 RXX |
| 3 mm |
|
24 |
7 |
13 |
|
|
AISI 316 L |
20SF TF03 EXX |
| 4 mm |
|
24 |
7 |
13 |
|
|
AISI 303 |
20SF TF04 RXX |
| 4 mm |
|
24 |
7 |
13 |
|
|
AISI 316 L |
20SF TF04 EXX |
| 5 mm |
|
22 |
9 |
13 |
|
|
AISI 303 |
20SF TF05 RXX |
| 5 mm |
|
22 |
9 |
13 |
|
|
AISI 316 L |
20SF TF05 EXX |
| Plugs |
端口
A |
Hex
SW |
L
mm |
D
mm |
L1
mm |
L2
mm |
Hex1
SW |
B
mm |
G
mm |
材質 |
訂貨號 |
外螺紋 Male Thread
|
M 5 |
7 |
18 |
|
5 |
|
|
|
|
AISI 303 |
20SF AM05 RXX |
| M 5 |
7 |
18 |
|
5 |
|
|
|
|
AISI 316 L |
20SF AM05 EXX |
| G 1/8 |
11 |
20 |
|
7 |
|
|
|
|
AISI 303 |
20SF AW10 RXX |
| G 1/8 |
11 |
20 |
|
7 |
|
|
|
|
AISI 316 L |
20SF AW10 EXX |
內螺紋 Female Thread
|
M 5 |
7 |
17 |
|
5 |
|
|
|
|
AISI 303 |
20SF IM05 RXX |
| M 5 |
7 |
17 |
|
5 |
|
|
|
|
AISI 316 L |
20SF IM05 EXX |
| G 1/8 |
12 |
19 |
|
7 |
|
|
|
|
AISI 303 |
20SF IW10 RXX |
| G 1/8 |
12 |
19 |
|
7 |
|
|
|
|
AISI 316 L |
20SF IW10
EXX |
更多Rectus快速接頭產品信息,請您關注產品細節頁面,或者來電咨詢我們:010-84282935 或者郵件至:sales@cnmec.biz
|