Rectus利達時低壓系列接頭:安全型25KD系列快速接頭 RECTUS Series 系列25KD快速接頭
Rectus 25KD系列,優質的安全型快換接頭,帶安全鎖,符合派克結構設計
Parker 派克優質的25 系列安全型快換,使用 UltaFlo 閥芯設計,優化了流量,并且降低了壓降。該系列快換性能出眾,其結構設計堅固(使用碳鋼套筒),即使在嚴苛的環境中應用也能保證長使用壽命。該系列安全型快換接頭使用額外的安全鎖緊機構,能夠防止意外斷開。當需要斷開時,陽接頭需要先推入陰接頭,然后才能斷開連接。黃銅形式的快換可用于水的應用,耐壓可達35 bar。

Rectus 25KD系列優質的安全型快換接頭,該系列優質的安全型快換接頭,公稱通徑為7.8mm,
用于救援市場中氣動以及流體輸送的應用,承壓可達35bar。該系列快換接頭符合派克結構設計,目前可供材料為黃銅/碳鋼。
市場:
- 機械工程
- 生命科學
- 過程控制
- 救援設備
- 航天
特點/優點
- UltaFlo 閥芯能夠優化流量及壓降表現
- 額外的安全鎖緊系統能夠避免意外斷開
- 雙截止類型使用便捷的套筒設計,方便帶手套的情況下進行操作
性能特點
標稱直徑 (DN) 7,8
閥門 是, 否
長度 (MM) 33 高達 74
外六角 (MM) 13 高達 22
外徑 (MM) 12 高達 30
密封材料 na, 丁腈橡膠
最低工作溫度(°C) -20
最高工作溫度 (C) 100
最大工作壓力 (BAR) 35
流速 (LPM) 710, 1800
應用:
- 救援應用
- 呼吸空氣
LITERATURE AND REFERENCE MATERIALS
Catalogue Page Parker Rectus Series 25 Safety
Datasheet Series 25 Safety Double-Shut-Off Version
Datasheet Series 25 Safety Single-Shut-Off Version
Parker ,Rectus和Tema三大公司都經過了長期的獨立發展階段,2007年美國Parker派克收購了Rectus和TEMA與其業務交叉的部門,將三個公司業務相似和產品相同的設備線進行重組,利用各自優勢,協同品牌效應,增強新整合部門的綜合實力。因此,新創建的QCDE的(歐洲快速接頭分部)結合國際地位與領先的技術和創新領域的氣動和液壓連接件,這使得QCDE成為行業合作范圍最廣、最具價值的合作伙伴,助力更多企業走向成功。
Rectus成立于1950年,2000年Rectus收購TEMA品牌,共同組建了Rectus-TEMA,在經歷了長期的自主研發和特定的客戶市場,2007年全球運動控制元件和系統的領導者Parker 全面收購(Rectus)利達時及(TEMA)天馬品牌,在歐洲Nussdorf 組建QCDE總部,Rectus和Tema具有多年專業的開發快速接頭的經驗,使我們的客戶能夠從我們這里得到各種領域應用的快速連接件。RECTUS quick connect couplings have stood for the highest precision and reliability. The pneumatic systems are used in many industries, primarily for compressed air but also for connections with liquid media.
Rectus利達時低壓系列接頭:安全型25KD系列快速接頭 RECTUS Series 系列25KD快速接頭
 |
雙截止
Double Shut-Off |
通徑 Nominal Diameter
7.4 = 43 mm2 |
|
RECTUS Series 系列
25KD |

流量壓力損失表
Chart


|
特征描述
Technical Description
Safety coupling
with UltraFlo technology. High flow performance. Notable for robust
design and steel sleeve used with large pneumatic consumers. Additional
safety locking system. This safety lock prevents unintentional
disconnection. To disconnect, the plug must first be pushed further into
the coupling before it can be unlocked. |
優點 Advantages
Quality coupling with small
dimensions and high flow rates. Safety locking system. Double profiled
plug design against wear of material during operation. Non-slip sleeve
can also be operated when wearing safety gloves.
|
工作壓力 Working Pressure
PB = 35 bar
,最大靜態壓力的安全系數為4:1。
工作溫度 Working Temperature*
-20°C ~ +100°C (NBR)
-40°C ~
+120/150°C (EPDM)
-15°C up to +200°C (FKM)
0°C up to +316°C
(FFKM)
溫度取決于介質
*特殊工況溫度產品
當溫度低于-20°C或者高于+100°C時,需要使用特殊的密封圈,請聯系我們。 |
| 材料|材質 Material |
|
|
| Coupling |
Standard |
Back Body
Valve
Body
Sleeve
Valve
Spring and Locking Ring
Locking
Balls
Seals |
Brass, Nickel Plated
Brass, Nickel Plated
Brass, Nickel Plated
Brass
AISI 301
AISI 420
NBR |
| Plug |
|
Plug Profile
Back
Body
Valve
Spring
Seal |
Brass, Nickel Plated
Brass, Nickel Plated
Brass
AISI 301
NBR |
|
| 相關文檔 Documents |
|
|
安全須知
Safety Instructions |
安裝及維護說明
Installation & Maintenance |
操作說明
Operating
instructions |
| Couplings |
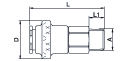
端口
A |
Hex
SW |
L
mm |
D
mm |
L1
mm |
L2
mm |
Hex1
SW |
B
mm |
G
mm |
Version
材質 |
Part Number
訂貨號 |
外螺紋 Male Thread
|
R 1/4 |
19 |
60 |
30 |
12 |
|
|
|
|
Standard |
25KDAK13BPN |
| R 3/8 |
19 |
60 |
30 |
12 |
|
|
|
|
Standard |
25KDAK17BPN |
| R 1/2 |
22 |
61 |
30 |
17 |
|
|
|
|
Standard |
25KDAK21BPN |
| |
|
|
|
|
|
|
|
|
|
|
內螺紋 Female Thread
|
G 1/4 |
19 |
56 |
30 |
10 |
|
|
|
|
Standard |
25KDIW13BPN |
| G 3/8 |
19 |
55 |
30 |
9 |
|
|
|
|
Standard |
25KDIW17BPN |
| G 1/2 |
24 |
58 |
30 |
12 |
|
|
|
|
Standard |
25KDIW21BPN |
| |
|
|
|
|
|
|
|
|
|
|
寶塔接頭 Hose Barb
|
6 mm |
19 |
74 |
30 |
25 |
|
|
|
|
Standard |
25KDTF06BPN |
| 8 mm |
19 |
74 |
30 |
25 |
|
|
|
|
Standard |
25KDTF08BPN |
| 9 mm |
19 |
74 |
30 |
25 |
|
|
|
|
Standard |
25KDTF09BPN |
| 10 mm |
19 |
74 |
30 |
25 |
|
|
|
|
Standard |
25KDTF10BPN |
| 13 mm |
19 |
74 |
30 |
25 |
|
|
|
|
Standard |
25KDTF13BPN |
| Plugs |
端口
A |
Hex
SW |
L
mm |
D
mm |
L1
mm |
L2
mm |
Hex1
SW |
B
mm |
G
mm |
Version
材質 |
Part Number
訂貨號 |
外螺紋 Male Thread
|
G 1/4 |
22 |
43 |
|
9 |
|
|
|
|
Standard |
25SDAW13MPN |
| G 3/8 |
22 |
43 |
|
9 |
|
|
|
|
Standard |
25SDAW17MPN |
| G 1/2 |
22 |
46 |
|
12 |
|
|
|
|
Standard |
25SDAW21MPN |
| |
|
|
|
|
|
|
|
|
|
|
內螺紋 Female Thread
|
G 1/4 |
22 |
43 |
|
10 |
|
|
|
|
Standard |
25SDIW13MPN |
| G 3/8 |
22 |
43 |
|
9 |
|
|
|
|
Standard |
25SDIW17MPN |
| G 1/2 |
24 |
46 |
|
12 |
|
|
|
|
Standard |
25SDIW21MPN |
| |
|
|
|
|
|
|
|
|
|
|
| Plugs |
端口
A |
Hex
SW |
L
mm |
D
mm |
L1
mm |
L2
mm |
Hex1
SW |
B
mm |
G
mm |
Version
材質 |
Part Number
訂貨號 |
寶塔接頭 Hose Barb
|
6 mm |
21 |
60 |
|
25 |
|
|
|
|
Standard |
25SDTF06MPN |
| 8 mm |
21 |
60 |
|
25 |
|
|
|
|
Standard |
25SDTF08MPN |
| 9 mm |
21 |
60 |
|
25 |
|
|
|
|
Standard |
25SDTF09MPN |
| 10 mm |
21 |
60 |
|
25 |
|
|
|
|
Standard |
25SDTF10MPN |
| 13 mm |
21 |
60 |
|
25 |
|
|
|
|
Standard |
25SDTF13MPN |
更多Rectus快速接頭產品信息,請您關注產品細節頁面,或者來電咨詢我們:010-84282935 或者郵件至:sales@cnmec.biz
|