|
|
|
|

Rectus利達時低壓系列接頭:黃銅|碳鋼|21KL系列快速接頭 RECTUS Series 系列21KL快速接頭
Parker ,Rectus和Tema三大公司都經過了長期的獨立發展階段,2007年美國Parker派克收購了Rectus和TEMA與其業務交叉的部門,將三個公司業務相似和產品相同的設備線進行重組,利用各自優勢,協同品牌效應,增強新整合部門的綜合實力。因此,新創建的QCDE的(歐洲快速接頭分部)結合國際地位與領先的技術和創新領域的氣動和液壓連接件,這使得QCDE成為行業合作范圍最廣、最具價值的合作伙伴,助力更多企業走向成功。
Rectus成立于1950年,2000年Rectus收購TEMA品牌,共同組建了Rectus-TEMA,在經歷了長期的自主研發和特定的客戶市場,2007年全球運動控制元件和系統的領導者Parker 全面收購(Rectus)利達時及(TEMA)天馬品牌,在歐洲Nussdorf 組建QCDE總部,Rectus和Tema具有多年專業的開發快速接頭的經驗,使我們的客戶能夠從我們這里得到各種領域應用的快速連接件。RECTUS quick connect couplings have stood for the highest precision and reliability. The pneumatic systems are used in many industries, primarily for compressed air but also for connections with liquid media.
Rectus利達時低壓系列接頭:黃銅|碳鋼|21KL系列快速接頭 RECTUS Series 系列21KL干式無泄漏型快速接頭
 |
干式無泄漏型
Dry-Break |
通徑 Nominal Diameter
5 = 20 mm2 |
|
|

流量壓力損失表
Chart

|
特征描述
Technical Description
Mini industrial coupling, internationally the most common
profile for this nominal diameter, in double shut-off design.
Above average flow performance for liquid and gaseous media. Large band
width in materials and valve variants. |
優點 Advantages
Single handed
operation. Small dimensions. Minimum (hardly noticeable) leakage occurs
when disconnecting. Air is not trapped in during the connecting
process.
替換產品
Interchangeability
RECTUS
Design |
工作壓力 Working Pressure
最大工作壓力 8 bar,
最大靜態壓力的安全系數為4:1。
工作溫度 Working Temperature*
-20°C up to +100°C
(NBR)
-40°C up to +120/150°C (EPDM)
-15°C up to +200°C (FKM)
0°C up to +316°C
(FFKM)
溫度取決于介質
*特殊工況溫度產品
當溫度低于0°C或者高于+316°C時,需要使用特殊的密封圈,請聯系我們。 |
| 材料|材質 Material |
|
|
| 陽接頭 Coupling |
標準Standard |
|
Back Body
Valve
Body
Sleeve
Valve
Spring and Locking Ring
Locking Balls
Seals
Inner Sleeve
Seal Bonnet |
Brass
Brass
Brass
Brass
AISI 301
AISI 420
NBR
Brass
Brass |
Brass, Nickel Plated
Brass, Nickel Plated
Brass, Nickel
Plated
Brass
AISI
301
AISI 420
NBR
Brass
Brass |
| 陰接頭 Plug |
|
|
Plug Profile
Back
Body
Valve
Spring
Seal |
Brass
Brass
Brass
AISI 301
NBR |
Brass, Nickel Plated
Brass, Nickel Plated
Brass
AISI 301
NBR |
| 相關文檔 Documents |
|
|
安全須知
Safety Instructions |
安裝及維護說明
Installation & Maintenance |
操作說明
Operating
instructions |
| Couplings |
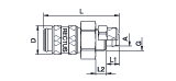
端口
A |
Hex
SW |
L
mm |
D
mm |
L1
mm |
L2
mm |
Hex1
SW |
B
mm |
G
mm |
材質 |
訂貨號 |
外螺紋 Male Thread
|
G 1/8 |
14 |
36 |
16 |
7 |
|
|
|
|
標準 |
21KL AW10 MPX |
| G 1/8 |
14 |
36 |
16 |
7 |
|
|
|
|
鍍鎳 |
21KL AW10 MPN |
| G 1/4 |
17 |
38 |
16 |
9 |
|
|
|
|
標準 |
21KL AW13 MPX |
| G 1/4 |
17 |
38 |
16 |
9 |
|
|
|
|
鍍鎳 |
21KL AW13 MPN |
| G 3/8 |
19 |
38 |
16 |
9 |
|
|
|
|
標準 |
21KL AW17 MPX |
| G 3/8 |
19 |
38 |
16 |
9 |
|
|
|
|
鍍鎳 |
21KL AW17 MPN |
| M 12x1,5 |
17 |
38 |
16 |
9 |
|
|
|
|
標準 |
21KL AD12 MPX |
| M 12x1,5 |
17 |
38 |
16 |
9 |
|
|
|
|
鍍鎳 |
21KL AD12 MPN |
| M 14x1,5 |
17 |
38 |
16 |
9 |
|
|
|
|
標準 |
21KL AD14 MPX |
| M 14x1,5 |
17 |
38 |
16 |
9 |
|
|
|
|
鍍鎳 |
21KL AD14 MPN |
內螺紋 Female Thread
|
G 1/8 |
14 |
36 |
16 |
9 |
|
|
|
|
標準 |
21KL IW10 MPX |
| G 1/8 |
14 |
36 |
16 |
9 |
|
|
|
|
鍍鎳 |
21KL IW10 MPN |
| G 1/4 |
17 |
38 |
16 |
9 |
|
|
|
|
標準 |
21KL IW13 MPX |
| G 1/4 |
17 |
38 |
16 |
9 |
|
|
|
|
鍍鎳 |
21KL IW13 MPN |
| G 3/8 |
19 |
38 |
16 |
9 |
|
|
|
|
標準 |
21KL IW17 MPX |
| G 3/8 |
19 |
38 |
16 |
9 |
|
|
|
|
鍍鎳 |
21KL IW17 MPN |
| M 12x1,5 |
17 |
38 |
16 |
6 |
|
|
|
|
標準 |
21KL IM12 MPX |
| M 12x1,5 |
17 |
38 |
16 |
6 |
|
|
|
|
鍍鎳 |
21KL IM12 MPN |
| M 14x1,5 |
17 |
38 |
16 |
6 |
|
|
|
|
標準 |
21KL IM14 MPX |
| M 14x1,5 |
17 |
38 |
16 |
6 |
|
|
|
|
鍍鎳 |
21KL IM14 MPN |
Plastic Hose Connection with Spring Guard
|
4x6 mm |
14 |
125 |
16 |
7 |
6 |
|
|
M 10x1 |
標準 |
21KL KK06 MPX |
| 4x6 mm |
14 |
125 |
16 |
7 |
6 |
|
|
M 10x1 |
鍍鎳 |
21KL KK06 MPN |
| 6x8 mm |
14 |
130 |
16 |
7 |
6 |
|
|
M 10x1 |
標準 |
21KL KK08 MPX |
| 6x8 mm |
14 |
130 |
16 |
7 |
6 |
|
|
M 10x1 |
鍍鎳 |
21KL KK08 MPN |
Plastic Hose Connection
|
4x6 mm |
14 |
42 |
16 |
7 |
6 |
|
|
M 10x1 |
標準 |
21KL KO06 MPX |
| 4x6 mm |
14 |
42 |
16 |
7 |
6 |
|
|
M 10x1 |
鍍鎳 |
21KL KO06 MPN |
| 6x8 mm |
14 |
42 |
16 |
7 |
6 |
|
|
M 12x1 |
標準 |
21KL KO08 MPX |
| 6x8 mm |
14 |
42 |
16 |
7 |
6 |
|
|
M 12x1 |
鍍鎳 |
21KL KO08 MPN |
Panel Mount, Plastic Hose Connection
|
4x6 mm |
14 |
54 |
16 |
7 |
18 |
14 |
4 |
M 10x1 |
標準 |
21KL KS06 MPX |
| 4x6 mm |
14 |
54 |
16 |
7 |
18 |
14 |
4 |
M 10x1 |
鍍鎳 |
21KL KS06 MPN |
| 6x8 mm |
17 |
54 |
16 |
7 |
18 |
17 |
4 |
M 12x1 |
標準 |
21KL KS08 MPX |
| 6x8 mm |
17 |
54 |
16 |
7 |
18 |
17 |
4 |
M 12x1 |
鍍鎳 |
21KL KS08 MPN |
寶塔接頭 Hose Barb
|
4 mm |
14 |
46 |
16 |
17 |
|
|
|
|
標準 |
21KL TF04 MPX |
| 4 mm |
14 |
46 |
16 |
17 |
|
|
|
|
鍍鎳 |
21KL TF04 MPN |
| 6 mm |
14 |
46 |
16 |
17 |
|
|
|
|
標準 |
21KL TF06 MPX |
| 6 mm |
14 |
46 |
16 |
17 |
|
|
|
|
鍍鎳 |
21KL TF06 MPN |
| 8 mm |
14 |
46 |
16 |
17 |
|
|
|
|
標準 |
21KL TF08 MPX |
| 8 mm |
14 |
46 |
16 |
17 |
|
|
|
|
鍍鎳 |
21KL TF08 MPN |
| 9 mm |
14 |
46 |
16 |
17 |
|
|
|
|
標準 |
21KL TF09 MPX |
| 9 mm |
14 |
46 |
16 |
17 |
|
|
|
|
鍍鎳 |
21KL TF09 MPN |
| 10 mm |
14 |
46 |
16 |
17 |
|
|
|
|
標準 |
21KL TF10 MPX |
| 10 mm |
14 |
46 |
16 |
17 |
|
|
|
|
鍍鎳 |
21KL TF10 MPN |
| 6 mm Parker |
14 |
46 |
16 |
17 |
|
|
|
|
標準 |
21KL TP06 MPX |
| 6 mm Parker |
14 |
46 |
16 |
17 |
|
|
|
|
鍍鎳 |
21KL TP06 MPN |
Panel Mount, Hose Barb
|
4 mm |
14 |
60 |
16 |
17 |
14 |
14 |
4 |
M 10x1 |
標準 |
21KL TS04 MPX |
| 4 mm |
14 |
60 |
16 |
17 |
14 |
14 |
4 |
M 10x1 |
鍍鎳 |
21KL TS04 MPN |
| 5 mm |
17 |
60 |
16 |
17 |
14 |
17 |
4 |
M 12x1 |
標準 |
21KL TS05 MPX |
| 5 mm |
17 |
60 |
16 |
17 |
14 |
17 |
4 |
M 12x1 |
鍍鎳 |
21KL TS05 MPN |
| 6 mm |
17 |
60 |
16 |
17 |
14 |
17 |
4 |
M 12x1 |
標準 |
21KL TS06 MPX |
| 6 mm |
17 |
60 |
16 |
17 |
14 |
17 |
4 |
M 12x1 |
鍍鎳 |
21KL TS06 MPN |
| 8 mm |
17 |
60 |
16 |
17 |
14 |
17 |
4 |
M 12x1 |
標準 |
21KL TS08 MPX |
| 8 mm |
17 |
60 |
16 |
17 |
14 |
17 |
4 |
M 12x1 |
鍍鎳 |
21KL TS08 MPN |
| 10 mm |
17 |
60 |
16 |
17 |
14 |
19 |
4 |
M 12x1 |
標準 |
21KL TS10 MPX |
| 10 mm |
17 |
60 |
16 |
17 |
14 |
19 |
4 |
M 12x1 |
鍍鎳 |
21KL TS10 MPN |
| Valves Plug |
端口
A |
Hex
SW |
L
mm |
D
mm |
L1
mm |
L2
mm |
Hex1
SW |
B
mm |
G
mm |
材質 |
訂貨號 |
外螺紋 Male Thread
|
G 1/8 |
14 |
40 |
|
7 |
|
|
|
|
Standard |
21SL AW10 MPX |
| G 1/8 |
14 |
40 |
|
7 |
|
|
|
|
Nickel Plated |
21SL AW10 MPN |
| G 1/4 |
17 |
42 |
|
9 |
|
|
|
|
Standard |
21SL AW13 MPX |
| G 1/4 |
17 |
42 |
|
9 |
|
|
|
|
Nickel Plated |
21SL AW13 MPN |
| M 12x1,5 |
17 |
43 |
|
10 |
|
|
|
|
Standard |
21SL AD12 MPX |
| M 12x1,5 |
17 |
43 |
|
10 |
|
|
|
|
Nickel Plated |
21SL AD12 MPN |
內螺紋 Female Thread
|
G 1/8 |
14 |
40 |
|
7 |
|
|
|
|
Standard |
21SL IW10 MPX |
| G 1/8 |
14 |
40 |
|
7 |
|
|
|
|
Nickel Plated |
21SL IW10 MPN |
| G 1/4 |
17 |
42 |
|
7 |
|
|
|
|
Standard |
21SL IW13 MPX |
| G 1/4 |
17 |
42 |
|
7 |
|
|
|
|
Nickel Plated |
21SL IW13 MPN |
| G 3/8 |
19 |
42 |
|
7 |
|
|
|
|
Standard |
21SL IW17 MPX |
| G 3/8 |
19 |
42 |
|
7 |
|
|
|
|
Nickel Plated |
21SL IW17 MPN |
| M 12x1,5 |
17 |
42 |
|
7 |
|
|
|
|
Standard |
21SL IM12 MPX |
| M 12x1,5 |
17 |
42 |
|
7 |
|
|
|
|
Nickel Plated |
21SL IM12 MPN |
| M 14x1,5 |
17 |
42 |
|
7 |
|
|
|
|
Standard |
21SL IM14 MPX |
| M 14x1,5 |
17 |
42 |
|
7 |
|
|
|
|
Nickel Plated |
21SL IM14 MPN |
| Valves Plug |
端口
A |
Hex
SW |
L
mm |
D
mm |
L1
mm |
L2
mm |
Hex1
SW |
B
mm |
G
mm |
材質 |
訂貨號 |
Plastic Hose Connection with Spring Guard
|
4x6 mm |
14 |
130 |
|
7 |
6 |
|
|
M 10x1 |
標準 |
21SL KK06 MPX |
| 4x6 mm |
14 |
130 |
|
7 |
6 |
|
|
M 10x1 |
鍍鎳 |
21SL KK06 MPN |
| 6x8 mm |
14 |
135 |
|
7 |
6 |
|
|
M 12x1 |
標準 |
21SL KK08 MPX |
| 6x8 mm |
14 |
135 |
|
7 |
6 |
|
|
M 12x1 |
鍍鎳 |
21SL KK08 MPN |
Plastic Hose Connection
|
4x6 mm |
14 |
46 |
|
7 |
6 |
|
|
M 10x1 |
標準 |
21SL KO06 MPX |
| 4x6 mm |
14 |
46 |
|
7 |
6 |
|
|
M 10x1 |
鍍鎳 |
21SL KO06 MPN |
| 6x8 mm |
14 |
46 |
|
7 |
6 |
|
|
M 12x1 |
標準 |
21SL KO08 MPX |
| 6x8 mm |
14 |
46 |
|
7 |
6 |
|
|
M 12x1 |
鍍鎳 |
21SL KO08 MPN |
Panel Mount, Plastic Hose Connection
|
6x8 mm |
17 |
58 |
|
7 |
18 |
17 |
4 |
M 12x1 |
標準 |
21SL KS08 MPX |
| 6x8 mm |
17 |
58 |
|
7 |
18 |
17 |
4 |
M 12x1 |
鍍鎳 |
21SL KS08 MPN |
| |
|
|
|
|
|
|
|
|
|
|
| |
|
|
|
|
|
|
|
|
|
|
寶塔接頭 Hose Barb
|
4 mm |
14 |
50 |
|
17 |
|
|
|
|
標準 |
21SL TF04 MPX |
| 4 mm |
14 |
50 |
|
17 |
|
|
|
|
鍍鎳 |
21SL TF04 MPN |
| 6 mm |
14 |
50 |
|
17 |
|
|
|
|
標準 |
21SL TF06 MPX |
| 6 mm |
14 |
50 |
|
17 |
|
|
|
|
鍍鎳 |
21SL TF06 MPN |
| 8 mm |
14 |
50 |
|
17 |
|
|
|
|
標準 |
21SL TF08 MPX |
| 8 mm |
14 |
50 |
|
17 |
|
|
|
|
鍍鎳 |
21SL TF08 MPN |
| 9 mm |
14 |
50 |
|
17 |
|
|
|
|
標準 |
21SL TF09 MPX |
| 9 mm |
14 |
50 |
|
17 |
|
|
|
|
鍍鎳 |
21SL TF09 MPN |
| 10 mm |
14 |
50 |
|
17 |
|
|
|
|
標準 |
21SL TF10 MPX |
| 10 mm |
14 |
50 |
|
17 |
|
|
|
|
鍍鎳 |
21SL TF10 MPN |
| 6 mm Parker |
14 |
54 |
|
20 |
|
|
|
|
標準 |
21SL TP06 MPX |
| 6 mm Parker |
14 |
54 |
|
20 |
|
|
|
|
鍍鎳 |
21SL TP06 MPN |
Panel Mount, Hose Barb
|
4 mm |
14 |
64 |
|
17 |
14 |
14 |
4 |
M 10x1 |
標準 |
21SL TS04 MPX |
| 4 mm |
14 |
64 |
|
17 |
14 |
14 |
4 |
M 10x1 |
鍍鎳 |
21SL TS04 MPN |
| 5 mm |
14 |
64 |
|
17 |
14 |
14 |
4 |
M 12x1 |
標準 |
21SL TS05 MPX |
| 5 mm |
14 |
64 |
|
17 |
14 |
14 |
4 |
M 12x1 |
鍍鎳 |
21SL TS05 MPN |
| 6 mm |
14 |
64 |
|
17 |
14 |
17 |
4 |
M 12x1 |
標準 |
21SL TS06 MPX |
| 6 mm |
14 |
64 |
|
17 |
14 |
17 |
4 |
M 12x1 |
鍍鎳 |
21SL TS06 MPN |
| 10 mm |
14 |
64 |
|
17 |
14 |
19 |
4 |
M 14x1 |
標準 |
21SL TS10 MPX |
| 10 mm |
14 |
64 |
|
17 |
14 |
19 |
4 |
M 14x0 |
鍍鎳 |
21SL TS10
MPN |
更多Rectus快速接頭產品信息,請您關注產品細節頁面,或者來電咨詢我們:010-84282935 或者郵件至:sales@cnmec.biz
|