|
|
|
|

Rectus利達時低壓系列接頭:黃銅 | 碳鋼 |20KB系列快速接頭 RECTUS Series 系列20KB快速接頭
Parker ,Rectus和Tema三大公司都經過了長期的獨立發展階段,2007年美國Parker派克收購了Rectus和TEMA與其業務交叉的部門,將三個公司業務相似和產品相同的設備線進行重組,利用各自優勢,協同品牌效應,增強新整合部門的綜合實力。因此,新創建的QCDE的(歐洲快速接頭分部)結合國際地位與領先的技術和創新領域的氣動和液壓連接件,這使得QCDE成為行業合作范圍最廣、最具價值的合作伙伴,助力更多企業走向成功。
Rectus成立于1950年,2000年Rectus收購TEMA品牌,共同組建了Rectus-TEMA,在經歷了長期的自主研發和特定的客戶市場,2007年全球運動控制元件和系統的領導者Parker 全面收購(Rectus)利達時及(TEMA)天馬品牌,在歐洲Nussdorf 組建QCDE總部,Rectus和Tema具有多年專業的開發快速接頭的經驗,使我們的客戶能夠從我們這里得到各種領域應用的快速連接件。RECTUS quick connect couplings have stood for the highest precision and reliability. The pneumatic systems are used in many industries, primarily for compressed air but also for connections with liquid media.
Rectus利達時低壓系列接頭:黃銅 | 碳鋼 |20KB系列快速接頭 RECTUS Series 系列20KB快速接頭
 |
雙截止
Double Shut-Off |
通徑 Nominal Diameter
2.7 = 5 mm2 |
|
|

流量壓力損失表
Chart


|
特征描述
Technical Description
Mini industrial
coupling, internationally used profile. Notable for a high flow and
numerous application options with various media. Frequent use in medical
technology and chemistry/pharmacy.
|
優點 Advantages
Single handed operation. Small
dimensions. Minimal pressure drop.
替換產品
Interchangeability
WALTHER LP002 |
工作壓力 Working Pressure
最大工作壓力 35 bar,
最大靜態壓力的安全系數為4:1。
工作溫度 Working Temperature*
-20°C ~ +100°C (NBR)
-40°C ~
+120/150°C (EPDM)
-15°C ~ +200°C
(FKM)
溫度取決于介質
*特殊工況溫度產品
當溫度低于-20°C或者高于+100°C時,需要使用特殊的密封圈,請聯系我們。 |
| 材料|材質 Material |
|
|
| 陽接頭 Coupling |
標準Standard |
銅鍍鎳Nickel Plated |
Back Body
Valve Body
Sleeve
Valve
Spring and Locking
Ring
Locking Balls
Seals
(Sleeve made of Aluminium
elox. on request) |
Brass
Brass
Brass
Brass
AISI 301
AISI
420
NBR |
Brass, Nickel Plated
Brass,
Nickel Plated
Brass, Nickel Plated
Brass
AISI 301
AISI 420
NBR |
| 陰接頭 Plug |
|
|
Plug Profile
Back Body
Valve
Spring
Seal |
Brass
Brass
Brass
AISI 301
NBR |
Brass, Nickel Plated
Brass,
Nickel Plated
Brass
AISI 301
NBR |
| 相關文檔 Documents |
|
|
安全須知
Safety Instructions |
安裝及維護說明
Installation & Maintenance |
操作說明
Operating
instructions |
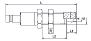
陰接頭 | 接頭體 | Couplings |
| |
端口
A |
Hex
SW |
L
mm |
D
mm |
L1
mm |
L2
mm |
Hex1
SW |
B
mm |
G
mm |
材質 |
訂貨號 |
|
M 5 |
9 |
26 |
10 |
5 |
|
|
|
|
標 準 |
20KB AM05 MPX |
| M 5 |
9 |
26 |
10 |
5 |
|
|
|
|
鍍鎳表面 |
20KB AM05 MPN |
| G 1/8 |
11 |
28 |
10 |
7 |
|
|
|
|
標 準 |
20KB AW10 MPX |
| G 1/8 |
11 |
28 |
10 |
7 |
|
|
|
|
鍍鎳表面 |
20KB AW10 MPN |
|
M 5 |
9 |
26 |
10 |
5 |
|
|
|
|
標 準 |
20KB IM05 MPX |
| M 5 |
9 |
26 |
10 |
5 |
|
|
|
|
鍍鎳表面 |
20KB IM05 MPN |
| G 1/8 |
12 |
28 |
10 |
7 |
|
|
|
|
標 準 |
20KB IW10 MPX |
| G 1/8 |
12 |
28 |
10 |
7 |
|
|
|
|
鍍鎳表面 |
20KB IW10 MPN |
|
3x4 mm |
9 |
34 |
10 |
7 |
5 |
|
|
M 7x0,5 |
標 準 |
20KB KO04 MPX |
| 3x4 mm |
9 |
34 |
10 |
7 |
5 |
|
|
M 7x0,5 |
鍍鎳表面 |
20KB KO04 MPN |
| 3x5 mm |
9 |
34 |
10 |
7 |
5 |
|
|
M 7x0,5 |
標 準 |
20KB KO05 MPX |
| 3x5 mm |
9 |
34 |
10 |
7 |
5 |
|
|
M 7x0,5 |
鍍鎳表面 |
20KB KO05 MPN |
| 4x6 mm |
9 |
34 |
10 |
7 |
5 |
|
|
M 8x0,5 |
標 準 |
20KB KO06 MPX |
| 4x6 mm |
9 |
34 |
10 |
7 |
5 |
|
|
M 8x0,5 |
鍍鎳表面 |
20KB KO06 MPN |
Panel Mount, Plastic Hose Connection
|
3x4 mm |
12 |
45 |
10 |
7 |
17 |
11 |
3 |
M 7x0,5 |
標 準 |
20KB KS04 MPX |
| 3x4 mm |
12 |
45 |
10 |
7 |
17 |
11 |
3 |
M 7x0,5 |
鍍鎳表面 |
20KB KS04 MPN |
| 3x5 mm |
12 |
45 |
10 |
7 |
17 |
11 |
3 |
M 7x0,5 |
標 準 |
20KB KS05 MPX |
| 3x5 mm |
12 |
45 |
10 |
7 |
17 |
11 |
3 |
M 7x0,5 |
鍍鎳表面 |
20KB KS05 MPN |
| 4x6 mm |
12 |
45 |
10 |
7 |
17 |
12 |
3,5 |
M 8x0,5 |
標 準 |
20KB KS06 MPX |
| 4x6 mm |
12 |
45 |
10 |
7 |
17 |
12 |
3,5 |
M 8x0,5 |
鍍鎳表面 |
20KB KS06 MPN |
寶塔接頭 Hose Barb
|
3 mm |
|
35 |
10 |
13 |
|
|
|
|
標 準 |
20KB TF03 MPX |
| 3 mm |
|
35 |
10 |
13 |
|
|
|
|
鍍鎳表面 |
20KBTF03MPN |
| 4 mm |
|
35 |
10 |
13 |
|
|
|
|
標 準 |
20KB TF04 MPX |
| 4 mm |
|
35 |
10 |
13 |
|
|
|
|
鍍鎳表面 |
20KB TF04 MPN |
| 5 mm |
|
34 |
10 |
13 |
|
|
|
|
標 準 |
20KB TF05 MPX |
| 5 mm |
|
34 |
10 |
13 |
|
|
|
|
鍍鎳表面 |
20KB TF05 MPN |
Panel Mount, Hose Barb
|
3 mm |
12 |
51 |
10 |
13 |
17 |
11 |
3 |
M 7x0,5 |
標 準 |
20KB TS03 MPX |
| 3 mm |
12 |
51 |
10 |
13 |
17 |
11 |
3 |
M 7x0,5 |
鍍鎳表面 |
20KB TS03 MPN |
| 4 mm |
12 |
51 |
10 |
13 |
17 |
11 |
3 |
M 7x0,5 |
標 準 |
20KB TS04 MPX |
| 4 mm |
12 |
51 |
10 |
13 |
17 |
11 |
3 |
M 7x0,5 |
鍍鎳表面 |
20KB TS04 MPN |
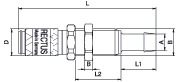
陽接頭|插頭體(帶截止閥)|Valved Plugs |
| |
端口
A |
Hex
SW |
L
mm |
D
mm |
L1
mm |
L2
mm |
Hex1
SW |
B
mm |
G
mm |
材質 |
訂貨號 |
|
M 5 |
9 |
28 |
|
5 |
|
|
|
|
標 準 |
20SB AM05 MPX |
| M 5 |
9 |
28 |
|
5 |
|
|
|
|
鍍鎳表面 |
20SB AM05 MPN |
| G 1/8 |
11 |
30 |
|
7 |
|
|
|
|
標 準 |
20SB AW10 MPX |
| G 1/8 |
11 |
30 |
|
7 |
|
|
|
|
鍍鎳表面 |
20SB AW10 MPN |
|
M 5 |
9 |
26 |
|
5 |
|
|
|
|
標 準 |
20SB IM05 MPX |
| M 5 |
9 |
26 |
|
5 |
|
|
|
|
鍍鎳表面 |
20SB IM05 MPN |
| G 1/8 |
12 |
30 |
|
7 |
|
|
|
|
標 準 |
20SB IW10 MPX |
| G 1/8 |
12 |
30 |
|
7 |
|
|
|
|
鍍鎳表面 |
20SB IW10 MPN |
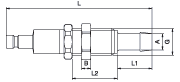
陽接頭|插頭體(帶截止閥)|Valved Plugs |
| |
端口
A |
Hex
SW |
L
mm |
D
mm |
L1
mm |
L2
mm |
Hex1
SW |
B
mm |
G
mm |
材質 |
訂貨號 |
Plastic Hose Connection
|
3x4 mm |
9 |
30,5 |
|
7 |
5 |
|
|
M 7x0,5 |
標 準 |
20SB KO04 MPX |
| 3x4 mm |
9 |
30,5 |
|
7 |
5 |
|
|
M 7x0,5 |
鍍鎳表面 |
20SB KO04 MPN |
| 3x5 mm |
9 |
30,5 |
|
7 |
5 |
|
|
M 7x0,5 |
標 準 |
20SB KO05 MPX |
| 3x5 mm |
9 |
30,5 |
|
7 |
5 |
|
|
M 7x0,5 |
鍍鎳表面 |
20SB KO05 MPN |
| 4x6 mm |
9 |
30,5 |
|
7 |
5 |
|
|
M 8x0,5 |
標 準 |
20SB KO06 MPX |
| 4x6 mm |
9 |
30,5 |
|
7 |
5 |
|
|
M 8x0,5 |
鍍鎳表面 |
20SB KO06 MPN |
Panel Mount, Plastic Hose Connection
|
3x4 mm |
12 |
46,5 |
|
7 |
17 |
11 |
3 |
M 7x0,5 |
標 準 |
20SB KS04 MPX |
| 3x4 mm |
12 |
46,5 |
|
7 |
17 |
11 |
3 |
M 7x0,5 |
鍍鎳表面 |
20SB KS04 MPN |
| 3x5 mm |
12 |
46,5 |
|
7 |
17 |
11 |
3 |
M 7x0,5 |
標 準 |
20SB KS05 MPX |
| 3x5 mm |
12 |
46,5 |
|
7 |
17 |
11 |
3 |
M 7x0,5 |
鍍鎳表面 |
20SB KS05 MPN |
| 4x6 mm |
12 |
46,5 |
|
7 |
17 |
12 |
3,5 |
M 8x0,5 |
標 準 |
20SB KS06 MPX |
| 4x6 mm |
12 |
46,5 |
|
7 |
17 |
13 |
3,5 |
M 8x0,5 |
鍍鎳表面 |
20SB KS06 MPN |
寶塔接頭 Hose Barb
|
3 mm |
8 |
36 |
|
13 |
|
|
|
|
標 準 |
20SB TF03 MPX |
| 3 mm |
8 |
36 |
|
13 |
|
|
|
|
鍍鎳表面 |
20SB TF03 MPN |
| 4 mm |
8 |
36 |
|
13 |
|
|
|
|
標 準 |
20SB TF04 MPX |
| 4 mm |
8 |
36 |
|
13 |
|
|
|
|
鍍鎳表面 |
20SB TF04 MPN |
| 5 mm |
8 |
36 |
|
13 |
|
|
|
|
標 準 |
20SB TF05 MPX |
| 5 mm |
8 |
36 |
|
13 |
|
|
|
|
鍍鎳表面 |
20SB TF05 MPN |
Panel Mount, Hose Barb
|
3 mm |
12 |
52,5 |
|
13 |
17 |
11 |
3 |
M 7x0,5 |
標 準 |
20SB TS03 MPX |
| 3 mm |
12 |
52,5 |
|
13 |
17 |
11 |
3 |
M 7x0,5 |
鍍鎳表面 |
20SB TS03 MPN |
| 4 mm |
12 |
52,5 |
|
13 |
17 |
11 |
3 |
M 7x0,5 |
標 準 |
20SB TS04 MPX |
| 4 mm |
12 |
52,5 |
|
13 |
17 |
11 |
3 |
M 7x0,5 |
鍍鎳表面 |
20SB TS04 MPN |
| 6 mm |
12 |
46,5 |
|
13 |
17 |
12 |
3 |
M 10x1 |
標 準 |
20SB TS06 MPX |
| 6 mm |
12 |
46,5 |
|
13 |
17 |
12 |
3 |
M 10x1 |
鍍鎳表面 |
20SB TS06
MPN |
更多Rectus快速接頭產品信息,請您關注產品細節頁面,或者來電咨詢我們:010-84282935 或者郵件至:sales@cnmec.biz
|