|

kinney SDV變螺距干式螺桿真空泵
進口真空泵
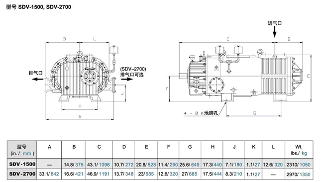
KINNEY SDV變螺距干式羅茨真空泵,設計緊湊,運行高效。最顯著的特點是無需密封液,從而避免了密封液對介質的污染。它與傳統的等螺距設計不同,而是采用了專利的可變螺距設計,可節省30%的能量,氣體排放溫度更低,從而無須冷卻凈化。SDV泵可以從大氣壓下開始全速抽吸至壓力為1Torr(1.3mbar a),而其極限真空可達0.01Torr(0.013mbar a)。新一代KINNEY SDVTM系列結構緊湊,高效節能的螺桿式真空泵。該泵的最大特點是螺桿變螺距設計,該泵比其他競爭者的干泵節能達30%以上,排出的氣體溫度也更低。干式螺桿真空泵腔內完全無水無油,直通氣路設計,SDV泵都可以處理含可凝性蒸氣的氣體和含微小顆粒而不會殘留在泵內的氣體。Model: SDV120, SDV200, SDV320, SDV430, SDV800
KINNEY SDV Variable Pitch, Screw-Type Dry Vacuum Pump
主要特點:
沒有油或水和過程氣體接觸
運行部件之間無金屬相互接觸
簡單緊固的設計可以處理工作時產生的副產品——液體,冷凝物甚至微小顆粒
節省空間的C型發動機設計除去了連軸器和防護裝置的需要
泵內氣通道較短,氣體排放更迅速
即使不使用消音裝置,噪音也低于90dB(A)
應用場合:
化工
制藥
半導體
溶劑回收
結晶
模壓成型
真空鍍膜
蒸汽以及油氣回收等行業。
KINNEY干式真空泵






|