BD Sensors PMS 141 超高壓測量壓力變送器6000 bar
超高壓測量壓力變送器PMS 141 專為要求高精度和高穩定性的應用場合所設計。PMS 141 系列采用的是以不銹鋼隔膜為基座的應變傳感器。PMS 141 堅固的不銹鋼防護殼使其能夠適用于極惡劣工況條件下,并有本安防爆可供選擇。
工業壓力變送器 超高壓測量
額定量程: 從 0 ... 2000 bar 至 0 ... 6000 bar
輸出信號:
2 線制: 4 ... 20 mA
3 線制:0... 20 mA / 0 ... 10 V
其他請咨詢

PMS 141 超高壓測量壓力變送器6000 bar 工業壓力變送器 超高壓測量
精度:
標準:0.25% FSO BFSL
(0.5% FSO IEC 60770)
可選:0.125 % FSO BFSL
(0.25 % FSO IEC 60770)
產品咨詢
超高壓測量壓力變送器PMS 141 專為要求高精度和高穩定性的應用場合所設計。
PMS 141 系列采用的是以不銹鋼隔膜為基座的應變傳感器。
PMS 141 堅固的不銹鋼防護殼使其能夠適用于極惡劣工況條件下,并有本安防爆可供選擇。
產品特點
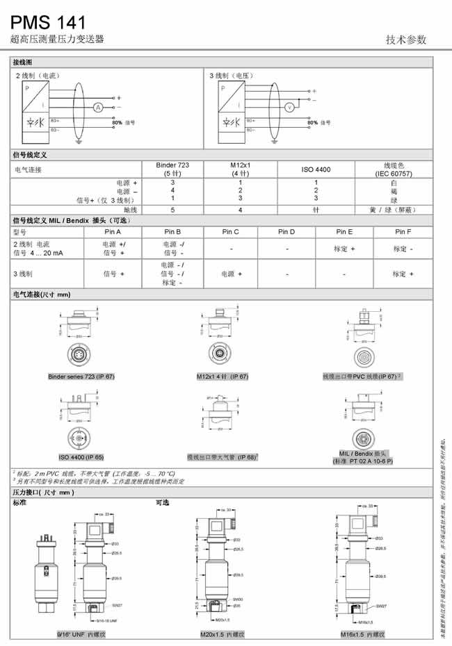
通過外設電位器進行零點偏移和滿量程校調
9/16" UNF 壓力接口
可進行80 % 信號標定,MIL / Bendix 插頭
可選型號
本安防爆型
精度:0.125% FSO BFSL
M20x1.5 和 M16x1.5 壓力接口
客戶特殊需求
- 下載PDF CATALOG
產品參數
使用說明書
證書
行業
液壓
水切割
化工和石化高壓
|